型号详细情况
IKO CF8WBUUR/SG轴承
CF8WBUUR/SG
我公司专业销售轴承CF8WBUUR/SG型号,我们针对CF8WBUUR/SG轴承为客户提供各种技术服务,CF8WBUUR/SG轴承的IKO品牌。需要CF8WBUUR/SG轴承最新规格、图纸、价格等资料请与我们联系。联系电话:
我们还为您推荐: CRH24VR/CRH24VUUR轴承
RNA6919/轴承
TLA1312Z/TLAM1312/IRT1012轴承
CF10-1BRM/CF10-1BM/CF10-1BUURM/CF10-1BUUM轴承
LRTZ657246轴承
CF8WBUUR/SG相关型号
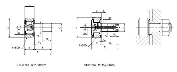
- 基本参数
- 系列
- 螺栓型滚轮滚针轴承1
- 型号
- CF8WBUUR/SG
- 主要尺寸/mm
- D
- 19
- C
- 11
- d1
- 8
- G
- M 8×1.25
- G1
- 10
- B
- 12.2
- B1
- 32.2
- B2
- 20
- B3
- ─
- C1
- 0.6
- g2
- ─
- H
- 4
- 重量
- 质量/g
- 8
- 其他参数
- 安装关系尺寸 f/Min.mm
- 28.5
- 最大拧紧扭矩/N-m
- 13
- 基本额定动负荷 C/N
- 6.5
- 基本额定静负荷 Co/N
- 4 250
- 最大静态容许负荷
- 4 740
CF8WBUUR/SG推荐型号
