型号详细情况
IKO CFS2FV轴承
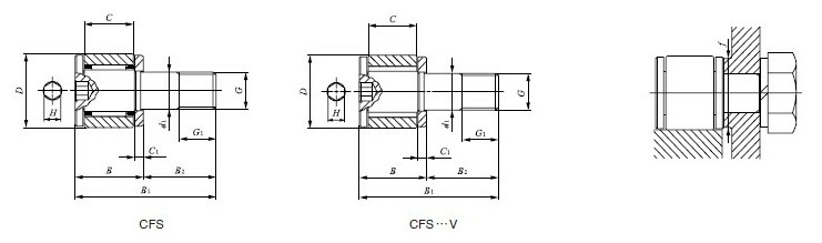
CFS2FV
我公司专业销售轴承CFS2FV型号,我们针对CFS2FV轴承为客户提供各种技术服务,CFS2FV轴承的IKO品牌。需要CFS2FV轴承最新规格、图纸、价格等资料请与我们联系。联系电话:
我们还为您推荐: KTKT587N轴承
CF12-1VR/CF12-1V/CF12-1VUUR/CF12-1VUU轴承
NAF406220/LRT404520轴承
NAX4532/NAX4532Z轴承
NAF173516/LRT172216轴承
CFS2FV相关型号
- 基本参数
- 系列
- 螺栓型滚轮滚针轴承15
- 型号
- CFS2FV
- 主要尺寸/mm
- D
- 4.5
- C
- 2.5
- d1
- 2
- G
- M2 ×0.4
- G1
- 2
- B
- 4
- B1
- 8
- B2
- 4
- C1
- 0.7
- H
- 0.9
- 重量
- 质量/g
- ─
- 其他参数
- 安装关系尺寸 f/Min.mm
- CFS 2 FV
- 最大拧紧扭矩/N-m
- 0.6
- 基本额定动负荷 C/N
- 4.3
- 基本额定静负荷 Co/N
- 9.1
- 最大静态容许负荷
- 614
CFS2FV推荐型号
